Thông tin nắp rửa điện tử Inax CW-H18VN
- Dung tích két nước nóng: 0.7L (lít)
- Vòi phun rửa: Vòi phun rửa và vòi phun dùng riêng cho phụ nữ đều là loại trượt tự động.
- Số lỗ phun: 6 lỗ x 0.8mm
- Nhiệt độ nước nóng: OFF:Nhiệt độ nước cấp; LOW: ~32oC; MID: ~36oC; HIGH: ~40oC
- Thiết bị an toàn: Rơ-le nhiệt, cầu chì điện, cảm biến nhiệt độ, chống dò điện.
- Chế độ tiết kiệm điện: Siêu tiết kiệm điện 24h.Tiết kiệm điện “1 lần chạm” (8 tiếng sau tự khôi phục).
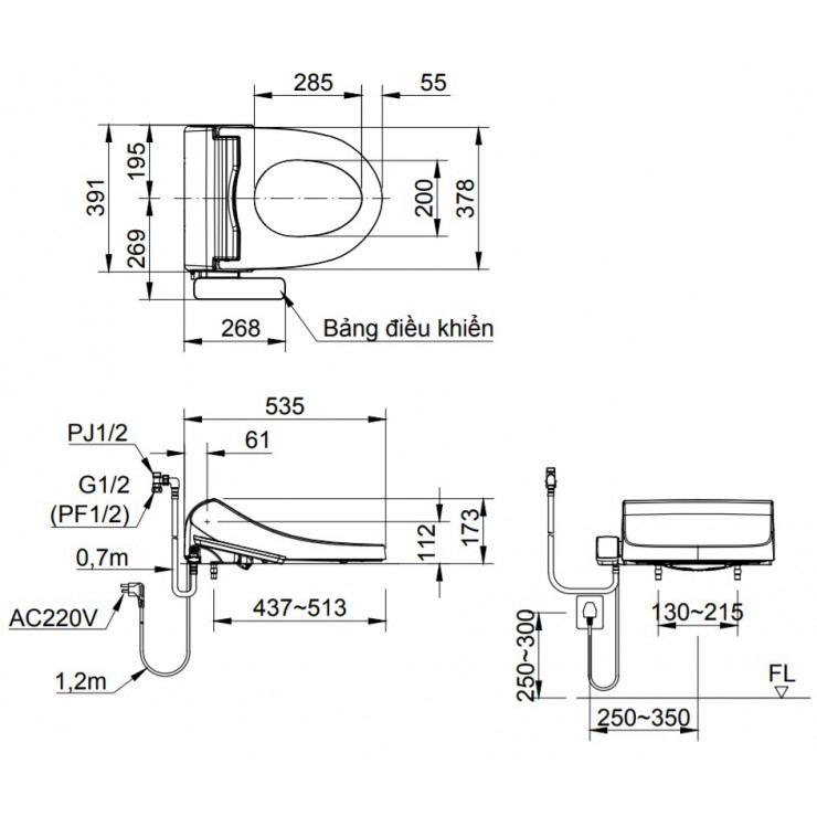
- Nước cấp: Nối trực tiếp từ đường ống nước
- Áp suất nước cấp: 0.06 – 0.75MPa
- Nguồn điện: AC 220V, 336W, 50Hz
- Kích thước: 536mm x 173mm x 472mm (Rộng x Cao x Dài) Trọng lượng: ~4kg
- Điều chỉnh nhiệt độ: Điều chỉnh 6 mức
- Chế độ hút mùi hôi: Tự động, mạnh, siêu mạnh
- Nắp đóng êm.
Tính năng nắp bồn cầu thông minh CWH18VN
- Phun rửa tự động
- Vệ sinh phụ nữ
- Khử mùi nhanh
- Sưởi ấm bệ ngồi
- Tiết kiệm điện
Bản vẽ kỹ thuật nắp điện tử INAX CW-H18 VN


Chậu Rửa Lavabo Inax L-2298V Âm Bàn Chữ Nhật
Chậu Rửa Lavabo Inax AL-2094V Âm Bàn AquaCeramic
Vòi Chậu Lavabo Inax LFV-222S Nóng Lạnh
Chậu Rửa Lavabo Inax AL-2216V Âm Bàn AquaCeramic
Kệ Để Khăn Inax KF-545VB MR Series
Dây Cấp Nước Inax A-701-7
Giá Ly Đôi Inax KF-543V MR Series
Bồn Cầu INAX AC-514A/CW-S15VN Nắp Rửa Cơ Aqua Ceramic
Vòi Chậu Lavabo Inax LFV-2002S Nóng Lạnh
Vòi Chậu Lavabo Inax LFV-6012S Nóng Lạnh
Hộp Giấy Vệ Sinh Bằng Sứ Inax H-486V CB Series
Giá Đựng Ly Inax H-443V CR Series Bằng Sứ
Vòi Chậu Lavabo Inax LFV-112S Nóng Lạnh
Chậu Rửa Lavabo Inax L-2293V Âm Bàn Oval
Chậu Rửa Lavabo Inax AL-2293 Âm Bàn Aqua Ceramic
Bồn Cầu INAX AC-1008R/CW-S32VN Nắp Rửa Cơ
Gương Tráng Bạc Phòng Tắm Inax KF-6075VAR
Bộ Phụ Kiện Phòng Tắm Inax H-AC480V6 Bằng Sứ 6 Món
Vòi Chậu Lavabo Inax LFV-5010S Van Nóng Lạnh Riêng 3 Lỗ
Kệ Để Khăn Inax KF-645VB MS Series Bằng Inox
Bồn Cầu INAX C-504A/CW-S15VN Nắp Rửa Cơ
Vòi Xịt Toilet Inax CFV-105MP Dây Trơn
Vòi Xịt Toilet Inax CFV-102A Bằng Nhựa
Bình xịt nước rửa bát EC_6026
Hộp Đựng Giấy Vệ Sinh Inax KF-12J Lô Lớn
Phễu Thoát Sàn Inax PBFV-110 Vuông 110x110 (Ø60)
Vòi Xịt Toilet Inax CFV-105MM
Bồn Cầu INAX AC-504A/CW-S15VN Nắp Rửa Cơ
Giá để bàn chải đánh răng Ecobath EC_6056
Bồn Cầu INAX AC-2700VN (AC2700VN)
Giá treo giấy Ecobath EC_3006
Bồn Cầu INAX AC-1035VN (AC1035VN)
Vòi Xịt Toilet Inax CFV-102M Bằng Nhựa
Tay Sen Inax BF-SC9
Giá treo giấy Ecobath EC_3003
Gương Tráng Bạc Phòng Tắm Inax KF-5075VA
Kệ Gương Inax KF-642V MS Series 













Reviews
There are no reviews yet.